Butterbean knob, solid headstock
Butterbean knob, slotted headstock
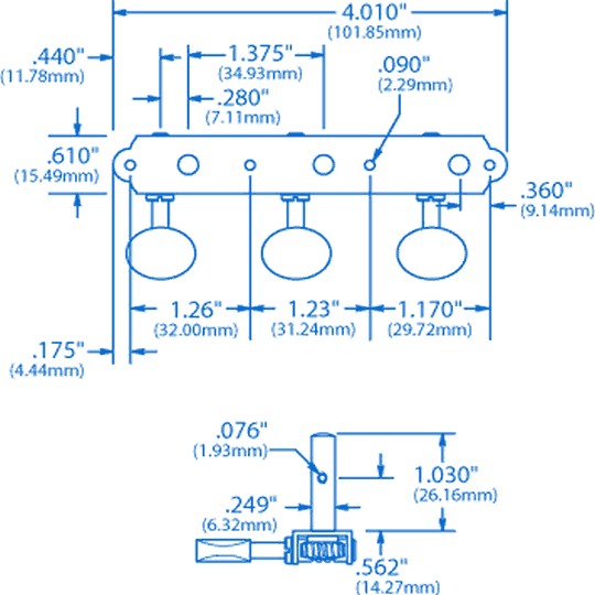
3500 3-on-a-plate, oval knob, slotted headstock
Oval knob, solid headstock
Oval knob, slotted headstock